info@tdtransmet.ru
Категория: Стыковые железнодорожные накладки

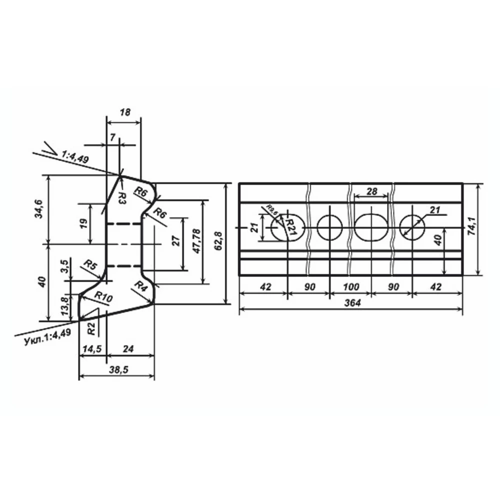
Накладка Р-33

В наличии на складе Цена по запросу
Отправить запрос
Тип:Новый
ТипР-33
Длина, мм364
Ширина, мм38,5
Высота, мм62,8
Koличecтвo x paзмep oтвepcтий, шт. x мм2 x d21, 2 x 28×21
Материалсталь М20
Масса 1 шт.6,6 кг
Единица измерениятонна
Количество в 1 тонне156 шт.
ГОСТ, ТУГОСТ 1050-88
Для типа рельсР33
Болт стыковой (приобретается отдельно)М22х115
Гайка (приобретается отдельно)М22
Шайба одновитковая (приобретается отдельно)М22

Среднее время доставки по Свердловской области: 7-10 дней

Наши логисты свяжутся с вами для уточнения деталей доставки

ЖД стыковая накладка Р-33 используется  в качестве болтового рельсового скрепления. Предназначена для скрепления шейки железнодорожных магистральных рельс Р33 с помощью стыкового болта М22х115.

Основные характеристики

  • Единица измерения — тонна
  • Масса 1 шт. — 6,6 кг
  • Количество в 1 тонне — 156 шт.

ГОСТ 1050-88 по ТУ 1131-001-69981052-2012

На нашем сайте вы можете скачать ГОСТ 1050-88 по ТУ 1131-001-69981052-2012 для стыковых накладок типа Р-33 ГОСТ 1050-88

Чертеж

чертеж рельсовой наладки Р-33

Накладки Р-33 по выгодным ценам в ТД «Трансмет»

Купить 4-х дырную накладку Р-33 по низкой цене с доставкой в Воронеж вы можете на сайте Торгового Дома «Трансмет» прямо сейчас! Доставим в короткие сроки на Ваш объект или производство. Перевозку осуществляем собственным автотранспортом или оформляем железнодорожные грузоперевозки. При необходимости груз страхуется и сопровождается.

Торговый Дом «Трансмет» — Ваш надёжный поставщик накладок и других материалов ВСП. К нам обращаются и нам доверяют!

Свяжитесь с коммерческим отделом компании и мы поможем вам с расчетом и оформлением заявки!

Телефоны: +7 (343) 361-64-95, +7 (343) 361-64-78, 8 (800) 600-54-95 (бесплатный для регионов)
E-mail: info@tdtransmet.ru

Оплата и доставка продукции

Мы предлагаем свои услуги по доставке различных грузов для железных дорог, включая железнодорожные рельсы, шпалы и другие строительные материалы.

Мы обладаем собственным транспортом, который позволяет нам осуществлять доставку грузов быстро, качественно и в срок. Наша компания осуществляет доставку продукции по всей территории России и ближнего зарубежья.

Варианты доставки

  • Доставка автотранспортом по РФ.
  • Доставка железнодорожным составом.
  • Отправка ТК по запросу. Мы сотрудничаем со всеми сертифицированными транспортными компаниями.

Наша компания заботится о комфорте и безопасности клиентов, поэтому мы предлагаем различные виды транспорта для доставки. Не важно, нужно ли вам доставить грузы на большой расстояние или через город, мы предоставим вам наилучшее решение для вашего бизнеса.

624002, Россия, Свердловская область, г. Арамиль, ул. Гарнизон, 3В